...

Nos produits

Fischer EasyHook droit DuoBlade – Lot de 6 unités

39,60  (TTC)

UGS 557919 Catégories ,

Description

Caractéristiques principales
  • Installation rapide et facile à l’aide d’une visseuse.
  • Se pose sur la plaque de plâtre sans pré-perçage.
  • Le point de rupture prédéterminé permet un positionnement optimal du crochet.
  • La distance par rapport au mur est réglable.
  • Charges élevées grâce à la matière renforcée de fibres de verre.

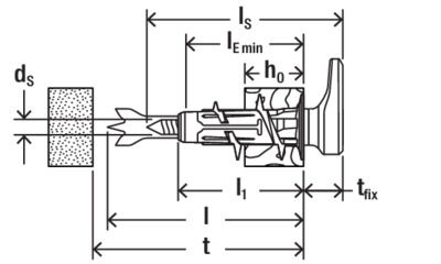
Données techniques

Diamètre nominal du foret (

d0

)

6 mm
épaisseur de plaque mini. (

dp

)

9,5 mm
Profondeur de vissage mini. (

lE,min

)

28 mm
Longueur de cheville (

l

)

44 mm
Dimensions de la vis (

ds x ls

)

4,0×50 mm
Empreinte PZ2
distance du mur (

tfix

)

4,0 – 9,0 mm
Contenu 6 chevilles DuoBlade + 6 crochets EasyHook droits
Quantité 6 Pce(s)
Conditionnement Blister
GTIN (EAN-Code) 4048962405446
w7 pf z 01 duoblade easyhook angle f sall aqq v1
Seraphinite AcceleratorOptimized by Seraphinite Accelerator
Turns on site high speed to be attractive for people and search engines.